A500 Esquema Electrico Eje Yo Os Apple
Las 19 Mejores Imagenes De Fotos Jeep Xj Jeep Cherokee Y
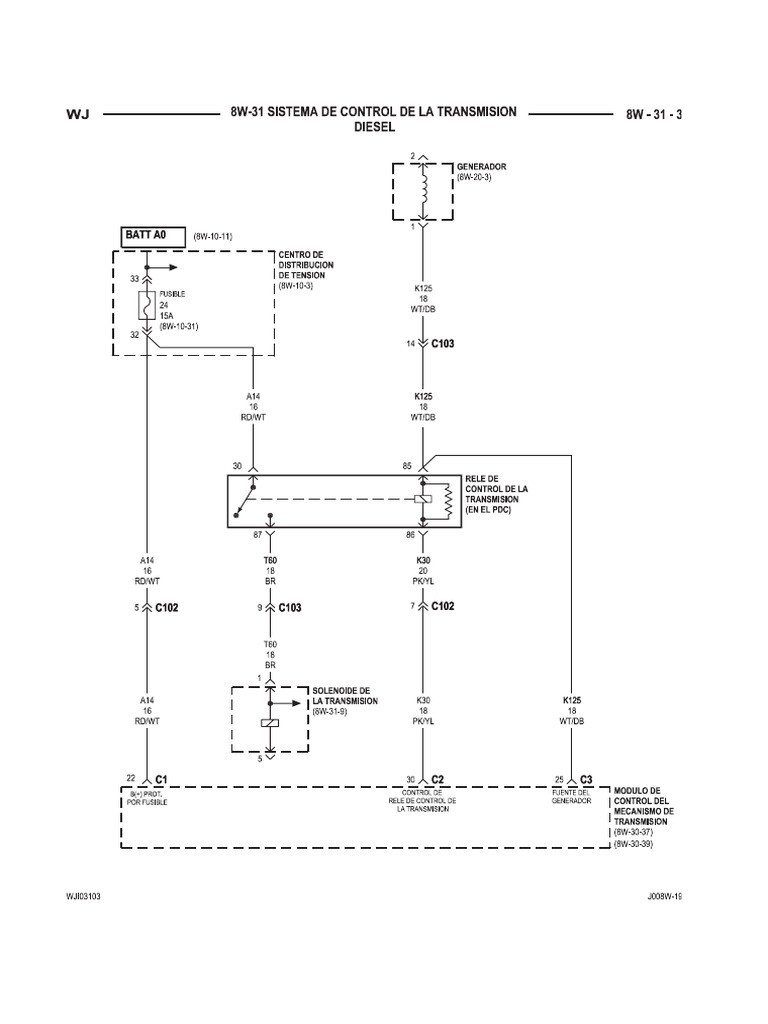
Jeep Diagramas Esquemas Sistema De Carga Y Arranque
Jeep Cherokee Xj Manual Tecnico Cableado Conectores By Memo
