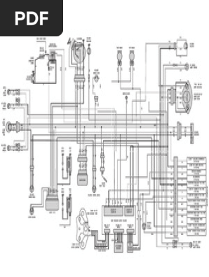
Bajaj Avenger 220 Wiring Diagram

Bajaj Wiring Diagram Wiring Diagram

Bajaj Super Wiring Harness Wiring Diagram

Diagrama Electrico Rouser O Pulsar 135 Diagrama De

Bajaj Avenger 220 Dts I Speedometer

Wiring With Relay Librar Wiring 101